SOP: Payroll Step 7
Learn how to process PTO payouts, handle payroll adjustments, and ensure accurate deductions and reimbursements. This guide covers step-by-step instructions for managing time cards, salary offsets, and payroll validation.
In this guide, we'll learn how to process PTO payouts and make payroll adjustments when standard deductions or pay do not appear as expected. We will review how to use payroll worksheets to enter PTO amounts, adjust pay, and verify deductions for accuracy. This process helps ensure employees are paid correctly and all payroll records are up to date.
Let's get started
Okay. In the last video, we discussed why Drew's benefits were not included. We found that since the PTO hours appeared on his time card and are part of his regular salary, the salary will simply offset those hours.





His PTO hours are being deducted.

But since he doesn't have any pay, no deductions are showing.

We need to process a PTO payout.


This one is hours, and he had already used hours from his PTO. Click the worksheet labeled "PTO payout." I'll go back to show where it is.

Go to @worksheet, select PTO payout, then choose his name as shown in previous videos.




I am going to open this.


I will adjust this template. Since this is for hours, I will add an amount column because we do not want to...



We don't want to add an additional 40 hours and choose his rate code, because that would pull 40 more hours from his bank. We want to avoid that. We need to make sure he is paid for it.

I am going to the column.

""
Other earnings: we'll cover PTO.


We don't want to hit payout; we just want to hit PTO.




""


His other earnings include paid time for his amount.


We will add this amount to that paycheck.


That's fine. It is 40 hours.

I will calculate the total amount.

Almost loaded.

Well! To calculate the amount, since he has already been paid for 80 hours... At that rate, we will take half of it, which is 923.08. We're going to place it right here, 923.08. Sometimes it doesn't work, so we copy and paste.
Save, auto balance, and double-check that I am actually going... Go to Profile and confirm that this is his usual setting. Okay. Go back to manage. We will validate this to ensure it is correct.
That's done. I'm going back in here. I need to make one change. We need to ensure the tax frequency is spread over one week, since it's 40 hours and not 80.







Now we will calculate payroll and hope it is available.


I may need to double-check and change the replacement deduction to an adjusted deduction, as it was before. We will check that.




There we go.



His 40 hours are shown here on his timecard. That's his payout, and then he has all of his deductions, which look good.

![Step #64: Click on "Wrksh004 ]"](https://di8mn0rali2ic.cloudfront.net/uploads/aafb397d-b6ea-47ee-8f46-abc0a6fb120c/425eb4fc-5d08-4261-b90e-31db2a5bc909.png)
Double-check your deduction on the master paper to ensure everything is included.



Since it is, we can go back to our master work paper and look at...


We can mark him as complete. So the, uh, comp. 1 is good to go, except for commissions. I gave Julie until tomorrow to handle that.


Now, the next step is to review each payroll to ensure everything looks correct.


Right now, Sadie is still on leave of absence.



We will follow up when she returns from her leave of absence.

I will leave this yellow, remove the date, and check to make sure an additional eight hours is added for Claudia.






Go through each item one by one.

I might try a more difficult one to ensure everything is included.


Let's choose one.


Let's choose HAA.

Okay, we will go to HAAs, manage payroll, and click calculate payroll.







We will go to the payroll register and download the selected items.






Here.


We will look under Evan Platz first because Evan had a refund for medical and dental.







First, we will look him up. Did I spell his name incorrectly?










""


Let's... Evan Platz.

Here is his refund. That looks good. Are there any other notes he had?


Nope. Okay. 9638.88.

Okay. I can mark that as complete.


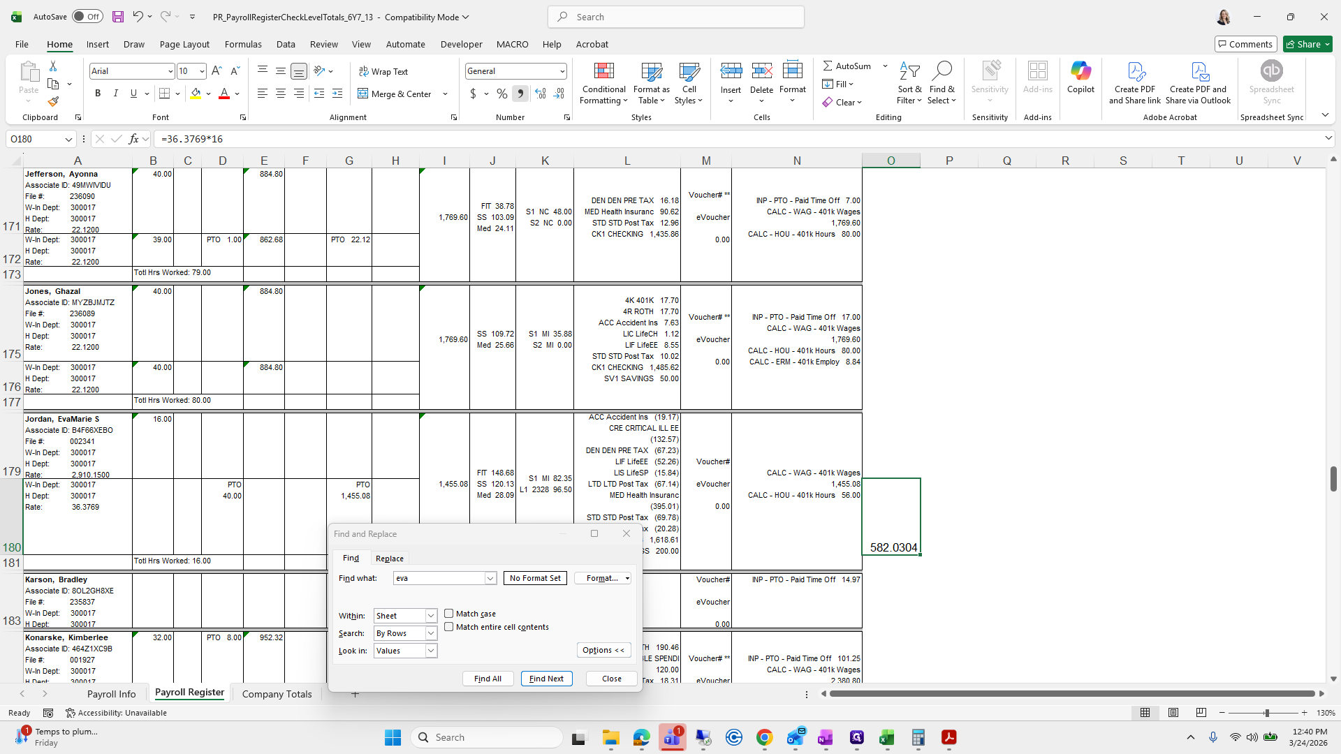
We need to ensure Ava Marie Jordan has only 16 hours of pay from her time card, a payout of 40 hours, the PTO is included, and her refunded insurance premiums are present.





Okay.




She has 16 hours.

She has her PTO and PTO payout.




But it looks like...


She is salaried and has her 16 hours.



It isn't paying her for the 16 hours because we don't have a rate code for those hours, as it pulled from her time card.

We need to add an adjustment worksheet and calculate the 16 hours and what that looks like.




All of her deduction reimbursements are listed. Make sure they match what was entered earlier, which they do.


She is missing 16 hours of pay, but she still has 40 hours of PTO.



We need to make that change.

Generally, you only need to do that when it appears on a time card.


Let's see.


HIA. Huh. That was weird.


I did. Okay. "" We'll make sure she's here first and see what it did. 16 hours, okay.

So then... ""


I will add a new worksheet because we need to delete it.


Additional hours.

I will choose Maria—Ava Maria Jordan. Submit.



All right.

We need to insert a column.

Since her hours are already on her time card, we just need to pay out the 16 hours.

We will do it a little differently. "" Earnings. And then we will do Regular...



Let's see.

There should be a Regular Pay listed here.

I'll select Other Earnings.

Click Done.


We will calculate what the 16 hours represents.



She is at 29/10/15. We will do it on the payroll register.


Her rate is 36.34.

Oh, we gotta click...

69 times 16.

This is what we will enter: 582.03.

Save, AutoBalance, done.



I'm going to open this because it needs to be validated again.





I'm double-checking with Jordan to make sure everything is there.







Then we select Done.

We will calculate payroll.


Then we'll open it back up.



We will download the paycheck and level totals worksheet and check that the information is correct.




Here are her 16 hours.


Here are the earnings for it. Here is her PTO. That looks good. You can put all of this on one check if you want.

Generally, for the PTO payout, I put it on a separate check.


Everything looks good. Okay. Everything looks great.


We will go back to the Payroll Master. Press Complete. Those two are ready. When they are ready, I usually do it as I go. This way, the girls can add it to their cash flow.



I give them a quick cash requirement, and then it's ready to go.


I go to my email.

I have a template set up in my email, so I don't need to copy and paste as much.


I go to Insert.

Except it isn't there. Let's return to it for a moment.

Since my templates aren't working right now, I copied and pasted what it normally would be. You could probably do this too, since I think you have access to them.

See below for the cash requirement for 3/27. I will handle payroll or the cash requirement.





Let's do this one. We're doing HIA.



The cash requirement number is always the total debited: 248,127.19.

I am going to do the HIA payroll check.




I will address this to Paula and Amanda.


My email is acting up right now, so we'll see if it actually sends. This gives them a figure for the cash requirement. Then I press Send. I generally do that for each payroll. I'll take it from here.
Another check and balance I use is always pulling the statistical summary at the end. I want to make sure everything looks good. The main things I'll look at are in this section right here. "" "" That looks good. There are usually no checks. If I see a check number here, I will contact either Erica or that person to see if they changed the direct deposit information.
Other than that, everything looks good. This concludes this part of payroll.
































